工业空气净化专家
专业研发、生产、销售各类空气过滤器
首页
关于我们
公司简介
企业文化
工厂实力
新闻中心
公司动态
行业动态
产品中心
初效空气过滤器
中效过滤器
亚高效空气过滤器
有隔板高效过滤器
耐高温高湿过滤器
无隔板高效过滤器
净化设备
Hepa过滤网
过滤材料
案例展示
技术应用
招贤纳士
联系我们
联系方式
合作伙伴
建议意见
行业动态
公司动态
行业动态
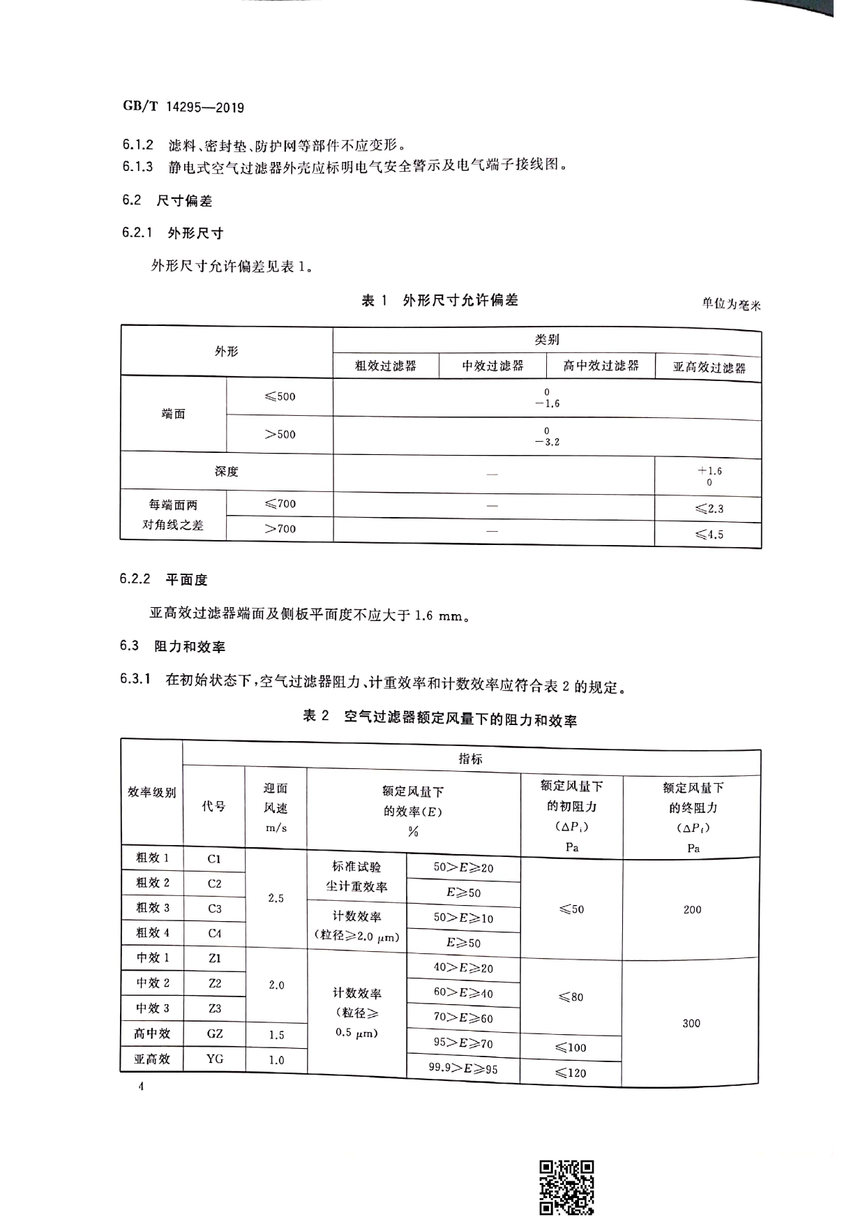
空气过滤器国家标准
发布时间:2021-09-15
上一篇:
无
下一篇:
高效过滤器如何降低噪声?
微信咨询
意见建议
免费电话咨询